Porca de Solda (DIN 928 e DIN 929)
Porca de solda projeção DIN 928 e 929
As porcas de solda projeção oferecem alta resistência e muita praticidade no seu processo de soldagem.
Estas porcas possuem saliências (projeções) com a função de concentrar o fluxo de corrente no ponto exato da união desejada, oferecendo maior precisão na sua aplicação.
Por estas razões é muito utilizada no industria automotiva.
Porcas de solda projeção podem ser:
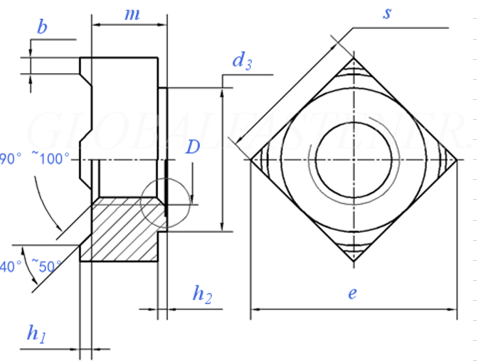
Quadradas DIN 928


ou
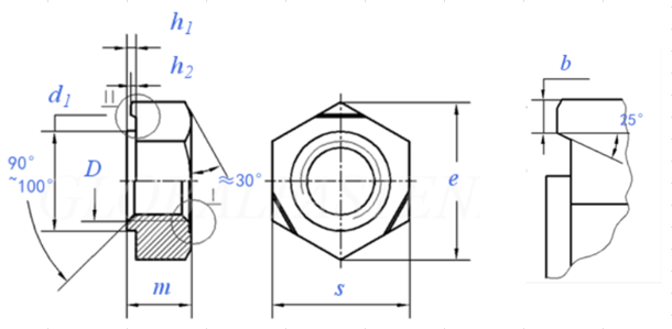
Sextavadas DIN 929


Disponíveis em classe 4.8 ou 8.8.


Porca de Solda (DIN 928 e DIN 929)
Porca de Solda (DIN 928 e DIN 929)
Porca de solda projeçã
12345678901266
Porca de Solda (DIN 928 e DIN 929)
NewCondition
InStock
Porca de Solda (DIN 928 e DIN 929)
NewCondition
InStock
Or Brasil
11 de Dezembro de 2019
OrBrasil
5/
5
Entre em contato conosco para comprar os melhores Rebites e Rebitadeiras do mercado.
OrBrasil
5/5 1
Porca de Solda (DIN 928 e DIN 929)
Porca de solda projeçã
12345678901266
Porca de Solda (DIN 928 e DIN 929)
NewCondition
InStock
Porca de Solda (DIN 928 e DIN 929)
NewCondition
InStock
Links úteis
Rebites • Rebitadeiras • Pinos de Solda • Auto Cravantes • Porca Tubo • Inserto Auto Cortante • Porca Gaiola