Porca de Solda

Porca de solda projeção DIN 928 e 929
As porcas de solda projeção oferecem alta resistência e muita praticidade no seu processo de soldagem.
Estas porcas possuem saliências (projeções) com a função de concentrar o fluxo de corrente no ponto exato da união desejada, oferecendo maior precisão na sua aplicação.
Por estas razões é muito utilizada no industria automotiva.
Porcas de solda projeção podem ser:
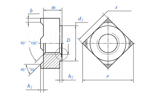
Quadradas DIN 928
ou
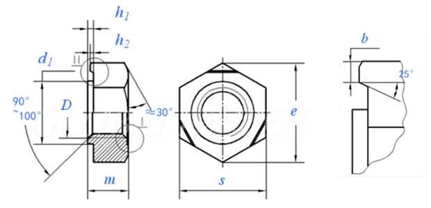
Sextavadas DIN 929
Disponíveis em classe 4.8 ou 8.8.
Porca de Solda
Porca de Solda
Porca de solda projeçã
12345678901266
Porca de Solda
NewCondition
InStock


Or Brasil
11 de Dezembro de 2019
OrBrasil
5/
5
Entre em contato conosco para comprar os melhores Rebites e Rebitadeiras do mercado.
OrBrasil
5/5 1
Porca de Solda
Porca de solda projeçã
12345678901266
Porca de Solda
NewCondition
InStock


Links úteis
Rebites • Rebitadeiras • Pinos de Solda • Auto Cravantes • Porca Tubo • Inserto Auto Cortante • Porca Gaiola